ŠKODA techweb [homepage]
Nápravy
19. června 2001

Řízení

Š105-136


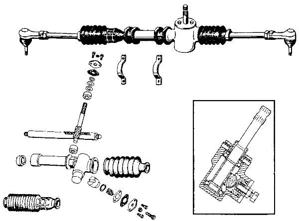
Řízení ve vozidlech Š105-136 byly použity dvou typů. První vycházející z předchozího typu Š100/110 je šnekové řízení. To bylo postupně od roku 82 do roku 85 podle modelů nahrazeno novějším typem řízení - hřebenovým. Šnekovému řízení se také jinak říká maticové.


Na horní polovině obrázku je řízení šnekové, dole hřebenové.

Od roku 83 (resp.84Rapid) došlo k rozšíření náprav, tím se prodloužili i tyče řízení na obou stranách. Přičemž řízení zůstalo stejné, tedy při rozšiřování stačí tyče řízení vyměnit za delší. Nejlepší kombinací je tedy řízení hřebenové s širokým rozchodem, v tomto stavu také končily vozy na konci výroby. Při teoretické záměně řízení hřebenového za šněkové je bohužel nutno vyměnit i nápravnici. Nápravnice se liší uchycením pro jednotlivé druhy řízení, jak ukazuje následující obrázek.


Vlevo nápravnice pro hřebenové řízení, vpravo pro šněkové řízení.

Šnekové (maticové) řízení

Na obrázku je schématické rozložení šnekového řízení.

Jak již vyplívá z názvu řízení, je převod síly uskutečňován pomocí šroubu a matice. Řízení je souměrné a spoje jsou řešeny kulovými nerozebiratelnými klouby. Tyto klouby mají trvalou tukovou náplň. Na pravé straně nápravnice je souměrně k řízení umístěna pomocná páka. Tyče řízení jsou celkem tři, střední tyč má dva kulové klouby, které ji spojují s převodkou řízení a pomocnou tyčí. Vzájemně jsou tyče spojeny rozebiratelnými klouby s možností seřízení vůlí. Postranní tyče mají také kulové klouby, kterými jsou spojeny s pákami řízení. Tyto posledně jmenované jsou také seříditelné, seřízuje se jimi sbíhavost.
Převodka řízení má olejovou náplň, kontrola a případné doplnění se provádí po dvou letech, nebo 20 000 km. Používá se olej PP90, při určité zručnosti, případně vhodném přípravku lze doplnění provést i na vozidle.

Převodka šnekového řízení.

Pár technických dat šnekového řízení
 
Převod řízení 17,3
Otáček volantu pro plný rejd 2,5
Největší rejd vnitřní 37 st.
Největší rejd vnější 29st. 30min.
Náplň oleje v převodovce 0,25l

 

Řízení hřebenové (s pastorkem a ozubenou tyčí)

Toto jednodušší a novější řízení se prakticky dosud používá na většině automobilů, nejen značky Škoda, většinou však již s posilovačem řízení. Převod síly zde zajišťuje pastorek a ozubená tyč. Pastorek je veden dvěma ložisky (typ PLC 03) a k němu je přitlačována ozubená tyč. Přítlak je seřiditelný, šroubem ze spodní strany. Celá střední tyč je zapouzdřena v tělese. Vnější tyče jsou stejné pro levou i pravou stranu - tedy záměnné. Na koncích jsou tyče řízení zakončeny kulovými čepy, které je spojují s pákami řízení. Opět posledně jmenovaný spoj je seřiditelný - sbíhavost. Spoj střední a vnejší tyče chrání gumové manžety. Gumové manžety jsou na obou koncích drženy plastovými spojkami (malá a velká).
Řízení má trvalou olejovou náplň. Pokud olej vyteče, většinou je to způsobeno prasklou manžetou, nebo uvolněným plastovým stahovacím kroužkem. Dostat olej do této převodky ve voze je "nemožná" věc. Převodka nemá žádný otvor pro nalévání oleje (tak jako to mělo šnekové řízení), takže jedinou možností je odmontování víčka řízení a dolití vzniklým otvorem (přes ložisko). Při tom je vhodné rovněž vyměnit těšnění pod tímto víčkem.

Hřebenové řízení přineslo přesnější a lehčí řízení. Má však vyšší nároky na kola, proto došlo spolu se zavedením hřebenového řízení k středění kola kalibrovaným středícím otvorem oproti původnímu středění na šrouby. Také se vyžaduje přesnější vyvážení kol přední nápravy, maximální dynamická nevyváženost kola smí být 15g.

Pár technických dat hřebenového řízení
 
Převod řízení 19,5
Otáček volantu pro plný rejd 3,8
Největší rejd vnitřní 37 st.
Největší rejd vnější 29st. 30min.
Náplň oleje v převodovce 0,15l

Volantový hřídel

Pohyb volantu je do převodky řízení přenášen volantovým hřídelem. Volantový hřídel má dva kloubové hřídele a v případě havárie by se měl deformovat tak, aby nezranil řidiče. Volantové hřídele byly dodávány od dvou výrobců, od fi Nadella a Torrington. Oba kloubové spoje s hranovými spoji  jsou jištěny šrouby. V horní části je pak hřídel volantu vedena dvěma ložisky (PLC03-19) přes které je přípevněn ke karoserii. Volant není šeřiditelný v žádné ose. Na konci volantového hřídele je zámek řízení ovládaný ze spínací skříňky. Před volantem je ještě usazen sdružený přepínač (Lucas), který má na volantovém hřídeli šeřiditelnou objímku, která vystavuje směrová světla.
Hřídel je spojen s řízením v rozdílném místě podle typu řízení. V karoserii jsou proto od roku 83 dvě díry pro obě řízení a ta druhá je zaslepena. Pro rozdílné vedení volantového hřídele se také liší pedálová konzola - jinak ohýbané a vedené pedály.

Volant, je nasazen na volantovém hřídeli na "tisícihranu" a dotažen matici proti uvolnění. Toto řešení umožňuje umístění volantu do přímého směru. Samotný volant je průměru 380mm (Rapid 360) a je excentrický vůči ose hřídele o 10mm - pro snadnější nastupování.
Demontáž volantu: odstraníme kryt volantu, který je ze zadní strany držen dvěma šrouby, dále demontujeme středovou matici, volant potom trhnutím sundáme.
Montáž je obráceným postupem demontáže, středovou matici utahujeme na moment 30Nm.

Autor článku: Chipmen (Petr Váňa)

zobrazit další autorovy články
upravit článek pro tisk

Komentáře k tomuto článku (26):




 

© 1999-2025, Petr Váňa a Insidea Digital s.r.o.
Jakýkoliv výňatek či přetisk obsahu serveru Škoda TechWeb může být použit jinde pouze s písemným svolením provozovatelů serveru, jež jsou uvedeni výše.