ŠKODA techweb [homepage]
Spojka a převodovka
9. května 2001

Výměna gumových segmentů táhla řazení

u vozidel Š105-130


Zjistit od kterého modelového ročníku se montovala táhla s nerozebiratelným kloubem.
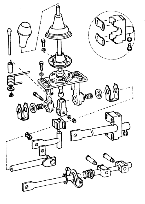
V zhledem k tomu, že se mi poslední dobou špatně řadily některé rychlostní stupně, odhodlal jsem se k revizi řadícího ústrojí. Po Jeho kontrole jsem došel k závěru, že je třeba vyměnit gumové segmenty v kleci kloubu táhla řazení před převodovkou. Kloub se nachází v prostoru těsně před převodovkou vně tunelu kterým vede táhlo řazení ke konzole řazení.

Než jsem se pustil do výměny zašel jsem do mototechny a koupil potřebné díly:
Segment 2x 110-592801
Manžeta 110-209820
O kroužek  933-016122

Je nutné vůz zvednout, nebo jinak zajistit přístup ke spodku vozu v místech zadních sedadel. Začneme demontáží krytu nádrže odšroubováním čtyř šroubů M6 klíč č. 10 a odstraněním samotného krytu. Uvolníme táhlo řazení na převodovce a odšroubujeme matku která drží kloub na zbytku táhla. U novějších modelů před náběhem nerozebíratelných kloubů tento spoj chybí a klec je přivařena přímo na táhlo řazení. Pokud se nám podařilo kloub vyjmout z vozu, rozehneme čtyři plechové jazýčky na kleci a sejmeme destičky kloubu. Vyjmeme vnitřní díl kloubu spolu s vložkami, které vyměníme za nové. Nasadíme zpět destičky a zajistíme opětovným přihnutím jazýčků, dejte pozor, aby se Vám jazýčky neulomily.

Tím je výměna pryžových segmentů hotová. Nyní ještě než namontujeme kloub zpět na táhlo a převodovku je vhodné zkontrolovat stav a případně vyměnit manžetu táhla řazení a O kroužek, pokud je ve špatném stavu nebo chybí úplně (což byl můj případ mám auto z roku1981).

Sejmou se zbytky manžety nebo se odstraní poškozená, nasadí se nová a zajistí se na obou koncích kousky měděného drátu (stačí obyčejný zvonkáč).  O kroužek se nedá vyměnit bez sejmutí předního víka převodovky. Doporučuji jen zdatným, musí se vypustit olej, vytahnout náhon tachometru a uvolnit příčka převodovky. Tím to se zamezí případnému úniku oleje z  převodovky. Nyní namontujeme kloub řazení zpět na převodovku a táhlo řazení. Ti kdo mají smůlu a mají kloub pevně spojen s táhlem provedou výměnu segmentů přímo na voze. Na konec nasadíme zpět a přišroubujeme kryt nádrže, provedeme kontrolu chodu řazení, spustíme vůz na zem a máme hotovo.

Autor článku: Charlie (Karel Baláč)

zobrazit další autorovy články
upravit článek pro tisk

Komentáře k tomuto článku (23):




 

© 1999-2025, Petr Váňa a Insidea Digital s.r.o.
Jakýkoliv výňatek či přetisk obsahu serveru Škoda TechWeb může být použit jinde pouze s písemným svolením provozovatelů serveru, jež jsou uvedeni výše.