ŠKODA techweb [homepage]
Nápravy
22. března 2001

Přední náprava

vozidel Škoda 105-136


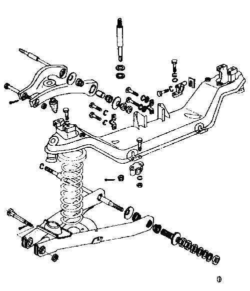
Přední náprava je samostatný celek, z jejího popisu jsem vyjmul řízení, tlumiče, pružiny a stabilizátor, které jsou již dostatečně popsány v jiných článcích. Náprava konstrukčně vychází z předchozího vozidla Š100/110. Základem přední nápravy je nápravnice, ty se vyráběly dvou typů podle řízení a nejsou vzájemně záměnné. Nápravnice je tedy jiná pro šnekové a hřebenové řízení, nahrazení novějším a dodnes používaným hřebenovým řízením proběhla od roku 82 (první byla Š Garde) až do roku 85. Nápravnice je svařenec výlisků a je schodná pro užší i širší rozchod (od modelu 83) s příslušným řízením. Nápravnice je do vozu přichycena na šesti místech (resp. osmi), bohužel všechno jsou to exponovaná místa a tak je většinou těžké spoje povolit. Na samotné nápravnici jsou potom připevněny skrz čepy horní a spodní ramena, dále řízení, nápravnice tvoří horní lůžko pružiny a jsou na ní také horní s podní dorazy. Čepy spodních ramen slouží na obou stranách zároveň jako úchytné body do karoserie.

Schematický obrázek přední nápravy.

Při rozšíření podvozku v roce 83 byly  rozšířeny ramena o 35 mm, rozchod se tedy zvětšil na 1390 (rozdíl použití pneu dělá dalších 20mm). Horní i spodní rameno jsou na koncích opět osazeny čepy na kterých je rejdový čep.

Rejdový čep včetně štítu a držáku brzdiče.

Rejdový čep je s horním ramenem spojen přes pružné lužko, které je v něm nalisované. Se spodním ramenem je spojen pomocí lisovaného pružného lůžka v rejdové hlavici. Čep, který spojuje spodní rameno a prochází rejdovou hlavicí, je výstřední, nastavuje se jím odklon kola. Otočný čep je na rejdovém čepu přes jednotlivá pouzra. Pouzdra mají plastový povrch, naproti tomu rejdový čep je karbonitridován, při správné údržbě dochází pouze k malému opotřebení. Maximální vůle opotřebení udaná výrobcem je 0,4 mm.

Údržba rejdového čepu spočívá ve vymezování vůle a pravidelném mazání. Mazání se provádí maznicí (pro zjednodušení se s mazivem nahřeje) nasazenou na kuličkový ventil na nápravě. Tento ventil je samozřejmně třeba před tím očistit, je umístěn na otočném čepu. Pro mazání se používá tuk A00. Tuk se vtlačuje tak dlouho dokud se starý tuk nezačne vytlačovat pod pryžovými manžetami.
Vymezení vůle je nutné kvůli opotřebení plastových podložek, ketré zde působí jako tlumící element. Pokud tedy při kontrole zjistíme vůli, postupujeme takto:
demontujeme závlačku matice rejdového čepu, matici pootočíme (utáhneme) o jeden závlačkový otvor, pokud nedošlo k vymezení otáčíme dále, po vymezení opět zajistíme závlačkou.
Existuje ještě jeden postup ten je sice v rámcí svépomocných možností "přesnější", ale vzhledem k nutnosti uvolnit kulový čep není doporučení hodný.
 


Rozbor náboje předního kola.

Náboj kola je otočný, jsou použita kuželíková ložiska. Ložiska mají dlouhodobou náplň tuku a jsou utěsněná z vnější strany víkem a z vnitřní těsněním. Matice dotahující ložiska na čep kola. Matice má pojistnou závlačku, která se provlíká otvory v čepu.
 

Údržba náboje: spočívá v kontrole a případném vymezení vůle a v kontrole a případném doplnění tukové zásoby. Tuk by neměl z ložisek unikat, kontrola se provede vizuálně po sejmutí víka. Víko pokud nemáte přípravek lze sejmout lehkým oklepáváním, případně lehkým páčením šroubovákem. Při sundavání nesmí dojít k poškození víka. Je-li tuku dostatek a je vláčný, není potřeba zasahovat, pokud je ho málo doplníme víčko tukem (asi do poloviny) a narazíme zpět. Pro mazání s epoužívá tuk NH2.
Kontrolu vůle provádíme při zvednuté této části vozu, kolem kýváme ve svislé rovině a vůle nesmí být znatelná. Pokud je v ložiscích vůle dochází k jejich nadměrnému opotřebení (stejně jako při nadměrném dotažení). Matici dotáhneme na moment 5Nm a pak se uvolní na nejbližší závlačkový otvor. Po dotažení se musí kolo lehce otáčet, ale bez vůle. Pokud je tato podmínka splněna, zajistíme matici závlačkou a nasadíme víko zpět.

Obrázek z reálu...

Demontáž nápravy z vozu

1. V zavazadlovém prostoru demontujeme matice tlumičů.
2. Uvolníme spoj volantové tyče (ten úplně spodní u podlahy).
3. Demontujeme (stačí povolit) matice spodních čepů ramen držících nápravu v karoserii.
4. Demontujeme stabilizátor z karoserie (případně ze spodních ramen).
5. Demontujeme třmen brzdy a zavěsíme ho drátem tak aby nevisel za hadici. Do opětovné montáže se NESMÍ šlapat na brzdový pedál, jinak je potřeba zpět nandat písty a odvzdušňovat brzdový systém.
6. Pod nápravu dáme zvedák a podepřeme ji (osvědčíl se zvedák s kolečky - lze potom jednoduše s celou nýápravou vyjet zpod vozu i v jednom člověku).
7. Postupně uvolníme čtyři zbývající šrouby, které drží nápravu.
8. Pomalu spouštíme nápravu tak aby se s ní dalo vyjet zpod zvednutého vozidla. Pozor je nutné dávat na řízení aby se tisícíhran skutečně uvolnil a netáhl s sebou celou tyč řízení.

Tento postup je obměnou toho co je uvedeno v servisní příručce, změny vychází z praktických zkušeností a je zjednodušením. Brzdy se již nerozpojují a tak není jejich opětovné odvzdušnění. Taktéž se nedemontuje celá volantová tyč včetně volantu ale pouze spodní spoj, je to sice náročnější na montáž - je nutno rovnou při heverování zasunout i tento spoj, ale pořád je to značné zjednodušení. Stabilizátor doporučuji demontovat tam kde se nám to "více hodí", opětovná montáž je podobně složitá na obou místech, navíc možnost že se nám podaří strhnout starý zarezlý šroub je stejná u obou spojů.

Montáž je v opačném pořadí k demontáži.
Tady je pár utahovacích momentů, které jsou potřeba dodržet při montáži nápravy do vozu:
šroub držáku stabilizátoru 12-16Nm
šroub třemnu brzdy 70-95Nm
matice tlumiče (horní) 12-14Nm
upevnění spodního čepu do karoserie 65-70Nm
šroub upevnění nápravy do karoserie 40-45Nm
Horní uchycení nápravy do karoserie (čtyři šrouby) se dotahuje jako první, v druhém sledu se dotahují spodní matice, při dotahování spodních matic je potřeba dát pozor na přesné uložení nápravy, tak aby nebyla našikmo.

Přední náprava je dosti exponovaným místem, problémem při montáži a demontáži jsou tedy především menší šrouby, které mají matici někde nabodovanou např. spodní uchycení tlumiče, všechny uchycení stabilizátoru. Zde doporučuji radši použití chemických přípravků, které umožní uvolnění a při montáži použít nový šroub. Oprava utrženého šroubu je v těchto případech poměrně pracná a náročná, v nejjednodušším případě odvrtání zbytku a projetí závitu závitníkem. V horším případě pokud se třeba utrhne nabodovaná matice, tak je možno ji tam znovu přivařit (stabilizátor uchycení na ramenech, nebo tlumič) pokud je to ovšem uchycení stabilizátoru na karoserii je oprava složitější (viz samostatný článek).
 

Toto je pouze jednoduchý popis nápravy a údržby, ostatní operace nejsou již přiliš jednoduché, jsou potřeba přípravky a nedají se dělat "na koleně". Proto je lepší jejich provedení svěřit servisu, protože nastavení odklonu a seřízení sbíhavosti a další drobnosti si jen tak někdo doma neudělá. Pokud přesto máte zájem o bližší servisní postupy přední nápravy, doporučuji knihu J.Andrta Škoda 105,120... - Rapid, případně servisní přiručku.

Autor článku: Chipmen (Petr Váňa)

zobrazit další autorovy články
upravit článek pro tisk

Komentáře k tomuto článku (27):




 

© 1999-2025, Petr Váňa a Insidea Digital s.r.o.
Jakýkoliv výňatek či přetisk obsahu serveru Škoda TechWeb může být použit jinde pouze s písemným svolením provozovatelů serveru, jež jsou uvedeni výše.